Описание
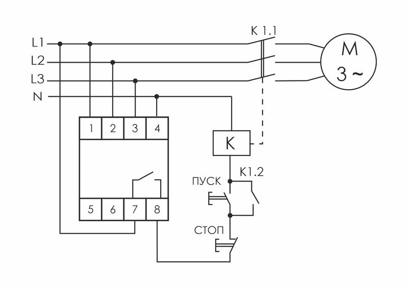
Реле контроля фаз серии "CKF" Монтаж на DIN-рейку. Предназначено для защиты электродвигателей и электроустановок, питаемых от трехфазной сети в случаях: отсутствия хотя бы одной из фаз, асимметрии напряжения, нарушения чередования фаз, обрыва нулевого провода. Принцип работы Если напряжение в пределах нормы, контакты исполнительного реле замкнуты и на контактор управления электродвигателем подается напряжение, управляющее его включением. В случае одной из вышеперечисленных аварийных ситуаций контакты реле размыкаются и контактор отключается. Включение происходит автоматически после восстановления сетевого напряжения питания. Особенности: контроль наличия фаз; контроль асимметрии между фазами; контроль чередования фаз; защита от обрыва нулевого провода; напряжение питания 3x230+N В AC; контакт - 1NO (8 А).
Показать полностью
Свернуть
Характеристики
Код ETIM
Реле контроля фаз
Кратность товара
1
Страна происхождения
Беларусь
Гарантийный срок
2 года
Глубина
65
Ширина
35
Высота
90
Количество нормально разомкнутых (НО) контактов
1
Максимально допустимое время задержки
5
Минимальное регулируемое время задержки
3
Функция обнаружения асимметрии фаз
Да
Функция обнаружения перенапряжения
Нет
Функция обнаружения пониженного напряжения
Нет
Функция обнаружения обрыва фазы
Да
Функция контроля порядка чередования фаз
Да
Отзывы
Отзывов еще никто не оставлял
