Описание
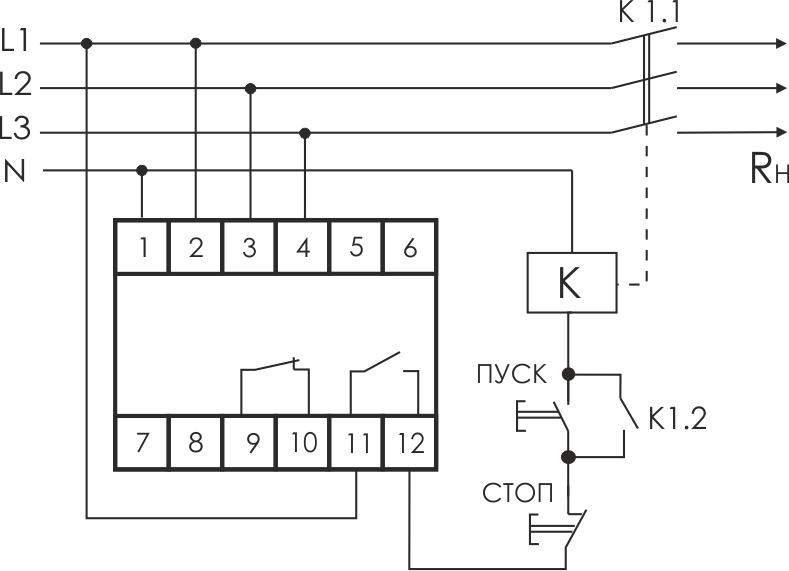
Реле напряжения серии "CP" Монтаж на DIN-рейку. Предназначено для непрерывного контроля величины напряжения в трехфазной сети переменного тока и защиты электроустановок, электроприборов и прочего электронного оборудования от повышенного или пониженного напряжения, от обрыва нулевого провода. Защита осуществляется путем отключения нагрузки от сети питания. Верхний и нижний пределы напряжения устанавливает потребитель с помощью потенциометров на панели управления. Реле измеряет напряжение в сети и при выходе напряжения за установленные пределы или обрыве нулевого провода реле отключает защищаемое оборудование. После восстановления сетевого напряжения реле включается автоматически. Особенности реле напряжения CP-731: трехфазное; контроль асимметрии напряжения; контроль слипания фаз; контроль чередования фаз; напряжение питания - 3х(150...450)+N В AC; максимальный ток нагрузки - 2х8 А; контакты - 1NO, 1NC; нижний порог напряжений - 150...210 верхний порог напряжений - 230...190
Показать полностью
Свернуть
Характеристики
Код ETIM
Реле напряжения
Кратность товара
1
Страна происхождения
Беларусь
Гарантийный срок
2 года
Глубина
65
Ширина
52.5
Высота
90
Количество нормально замкнутых (НЗ) контактов
1
Количество нормально разомкнутых (НО) контактов
1
Род тока включения
Переменный ток (AC)
С съемными клеммами, зажимами
Нет
Диапазон измерения напряжения 1
150...210
Минимальное регулируемое время задержки срабатывания без выдержки
0.1
Род тока контролируемого напряжения
Переменный ток (AC)
Диапазон измерения напряжения 2
230...260
Возможен контроль 3-фазного понижения напряжения
Да
Возможен контроль 1-фазного понижения напряжения
Нет
Отзывы
Отзывов еще никто не оставлял
